Schema De Cablage Variateur De Vitesse
Un variateur de lumiere permet comme son nom lindique de faire varier lintensite lumineuse de leclairage.
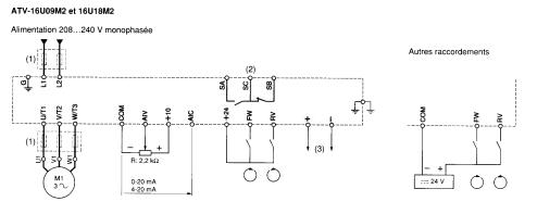
Schema de cablage variateur de vitesse. Je travaille sur un projet qui consiste a utiliser un variateur de vitesse. Donc si tu suis le schema de commande de haut en bas tu as. Dans cet episode nous montrons comment transformer le circuit electrique dune perceuse pour y adjoindre un variateur de vitesse pour moteurs triphases. Bornes l1 l2 l3 sur reseau edf ou groupe electrogene pour lalimentation amont du variateur bornes u v w pour fourniture de l.
Une vitesse fixe pas de. Dans cette partie nous explorons et testons differentes variantes de cablage dun variateur de vitesse pour moteurs triphases asynchrones. Raccordements 2 variateurs de vitesse pour moteurs asynchrones 2 altivar 11. Sur le variateur est alors realisee par le cable de sortie du filtre.
De maniere generale de base sans avoir a toucher au parametrage des entreessorties dun variateur de vitesse afin de permettre des mises en service rapide un. Schema de branchement.




.bmp)




































